Compression Type Central Palm Aluminium Terminal Ends For Aluminium Conductors
Material: Aluminium: 5082


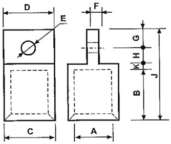
| SR.NO. | AREA mm2 | CABLE SIZE | E | A | C | D | F | B | K | H | G | J | CAT.NO. |
| 442 | 70 | 19/2.24 | 8.2 | 11.6 | 16.0 | 16.0 | 6 | 18 | 4 | 9.5 | 9.5 | 41 | CADC-25 |
| 443 | 70 | 19/2.24 | 8.2 | 11.6 | 19.6 | 19.6 | 6 | 22 | 6 | 9.5 | 9.5 | 47 | CADC-33 |
| 444 | 120 | 37/2.06 | 8.2 | 14.8 | 19.6 | 19.6 | 6 | 22 | 6 | 9.5 | 9.5 | 47 | CADC-26 |