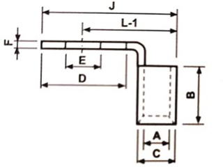
Copper Ring Tongue (Bend Type)
Material: Copper IS: 1897
Finish: Electro Tinned


| SR.NO. | AREA mm2 | E | A | C | D | F | B | J | L-1 | CAT.NO. |
| 1497 | 1.0 | 6.2 | 1.6 | 3.6 | 14 | 1 | 8 | 27 | 20 | CRB –1 |
| 1498 | 2.5 | 6.2 | 2.5 | 4.5 | 14 | 1 | 8 | 27 | 20 | CRB-2.5 |
Copper Ring Tongue Terminal Ends For Solderless Crimping
To Copper/Aluminium Conductors (60* & 90* Bend)
Material: Copper IS: 1897
Finish: Electro Tinned


| SR.NO. | AREA mm2 | E | A | C | D | F | B | J | H | L-1 | J | TYPE | CAT.NO. |
| 1857 | 1.5 | 3.2 | 1.6 | 3.2 | 6 | 0.8 | 4.8 | —– | 3.0 | 7.7 | —– | II | C 7355 |
| 1858 | 10 | 6.4 | 4.3 | 6.3 | 12 | 1.0 | 8.0 | —– | 8.5 | 8.5 | — | II | C 7388 |
| 1859 | 10 | 8.4 | 5.2 | 8.4 | 18 | 1.6 | 11.0 | 9 | 16.0 | 22.0 | 48 | I | C 7173 |
| 1860 | 10 | 10.5 | 5.2 | 8.4 | 22 | 1.6 | 8.0 | 11 | 26.0 | 22.0 | 60 | I | C 8021 |
| 1861 | 16 | 8.2 | 6.5 | 9.7 | 18 | 1.6 | 8.0 | 9 | 28.0 | 22.0 | 52 | I | C 8022 |